泰州技师学院2026年上半年职业技能等级认定公告
发文时间:2026-03-04 撰稿人:admin
围绕地方产业发展对技能人才的需求,秉持服务技术工人、技能人才的理念,促进技能人才梯队建设和充分就业,根据我院职业技能等级认定年度工作计划,拟于2026年6月上旬面向社会集中开展职业技能等级认定,现将有关事项公告如下:

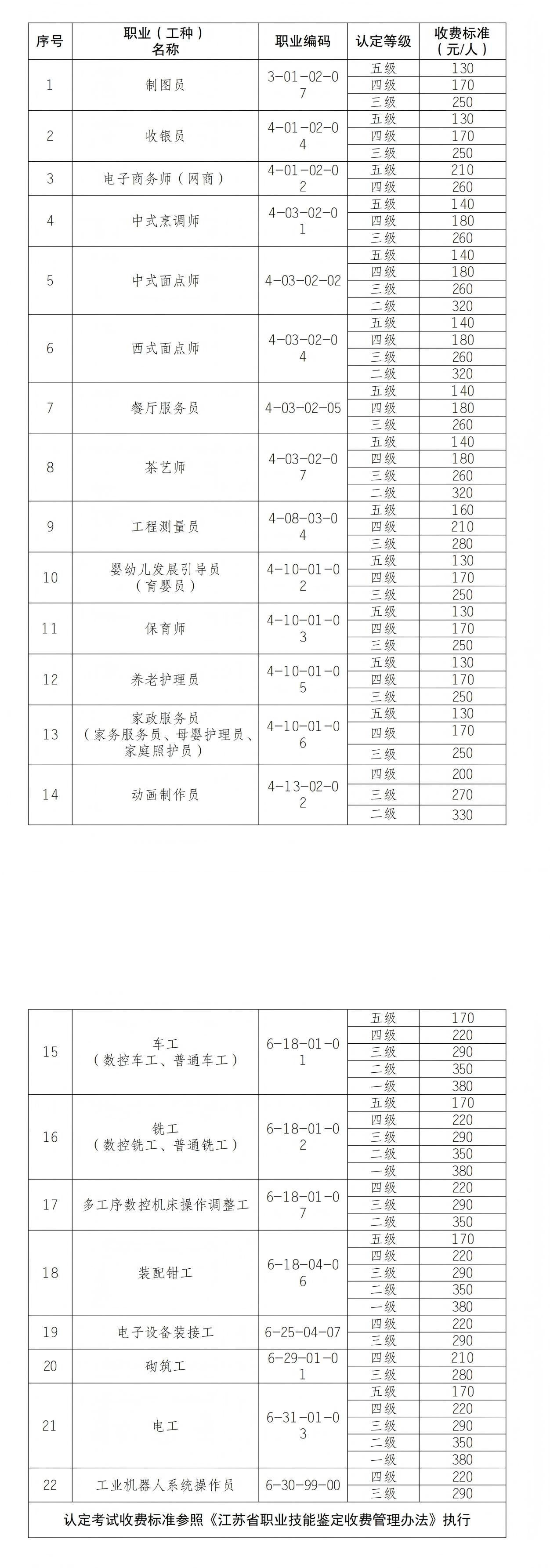
一、认定职业(工种)及收费标准
有关说明:有关职业(工种)考试所需耗材可自备或交费由考点代办。二级/技师、一级/高级技师认定另行收取工作业绩评审费:二级/技师200元、一级/高级技师300元。
二、认定时间安排
(一)理论考试日期:2026年6月6日、7日
(二)实操考试日期:根据报名人数、场地和设备等资源统筹安排,如同一职业(工种)报名考试人数不足20人,考试时间另行安排。
三、认定方式
(一)职业(工种)认定须参加理论知识考试和技能操作考核,理论知识考试采用闭卷笔试方式,技能操作考核采用现场实际操作方式。另外,二级/技师、一级/高级技师须参加综合评审。
(二)理论知识考试、技能操作考核、综合评审均实行百分制,成绩均须达60分以上,方可认定合格。
(三)考试期间,考生须严格遵守考场纪律及相关规定,服从监考(考评)人员管理,如有作弊等违纪、违规行为,该场次考试以0分计,且不予补考。
四、申报条件
认定申报条件按照《国家职业标准编制技术规程(2023年版)》第一部分附录5《申请参加职业技能评价的条件》(附件8)执行。各职业(工种)报名的学历要求、相关职业及相关专业以技能人才评价工作(http://www.osta.org.cn)公布的国家标准为准。单科未通过人员一年内可参加补考;单科合格成绩有效期一年,逾期须重新申报认定。申报条件有关年限的计算截至2026年5月31日。
(一)具备以下条件之一者,可申报五级/初级工:
1.年满16周岁,拟从事本职业或相关职业工作。
2.年满16周岁,从事本职业或相关职业工作。
(二)具备以下条件之一者,可申报四级/中级工:
1.累计从事本职业或相关职业工作满5年。
2.取得本职业或相关职业五级/初级工职业资格(职业技能等级)证书后,累计从事本职业或相关职业工作满3年。
3.取得本专业或相关专业的技工院校或中等及以上职业院校、专科及以上普通高等学校毕业证书(含在读应届毕业生)。
(三)具备以下条件之一者,可申报三级/高级工:
1.累计从事本职业或相关职业工作满10年。
2.取得本职业或相关职业四级/中级工职业资格(职业技能等级)证书后,累计从事本职业或相关职业工作满4年。
3.取得符合专业对应关系的初级职称(专业技术人员职业资格)后,累计从事本职业或相关职业工作满1年。
4.取得本专业或相关专业的技工院校高级工班及以上毕业证书(含在读应届毕业生)。
5.取得本职业或相关职业四级/中级工职业资格 (职业技能等级)证书,并取得高等职业学校、专科及以上普通高等学校本专业或相关专业毕业证书(含在读应届毕业生)。
6.取得经评估论证的高等职业学校、专科及以上普通高等学校本专业或相关专业的毕业证书(含在读应届毕业生)。
(四)具备以下条件之一者,可申报二级/技师:
1.取得本职业或相关职业三级/高级工职业资格 (职业技能等级)证书后,累计从事本职业或相关职业工作满5年。
2.取得符合专业对应关系的初级职称(专业技术人员职业资格)后,累计从事本职业或相关职业工作满5年, 并在取得本职业或相关职业三级/高级工职业资格(职业技能等级)证书后,从事本职业或相关职业工作满1年。
3.取得符合专业对应关系的中级职称(专业技术人员职业资格)后,累计从事本职业或相关职业工作满1年。
4.取得本职业或相关职业三级/高级工职业资格 (职业技能等级)证书的高级技工学校、技师学院毕业生,累计从事本职业或相关职业工作满2年。
5.取得本职业或相关职业三级/高级工职业资格(职业技能等级)证书满2年的技师学院预备技师班、技师班学生。
(五)具备以下条件之一者,可申报一级/高级技师:
1.取得本职业或相关职业二级/技师职业资格(职业技能等级)证书后,累计从事本职业或相关职业工作满5年。
2.取得符合专业对应关系的中级职称后,累计从事本职业或相关职业工作满5年,并在取得本职业或相关职业二级/技师职业资格(职业技能等级)证书后,从事本职业或相关职业工作满1年。
3.取得符合专业对应关系的高级职称(专业技术人员职业资格)后,累计从事本职业或相关职业工作满1年。
五、申报及资格审核
(一)报名时间:2026年3月16日-5月11日工作日9:00-17:00
(二)资格审核截止时间:5月18日17:00
(三)缴费截止时间:5月25日17:00
(四)准考证领取时间:6月1日-6月5日工作日9:00-17:00
(五)报名方式:
1.携带电子照片、纸质报名表等报名材料至泰州技师学院技能等级评价中心进行现场报名。
2.扫描下方二维码,获取报名材料及有关说明。

3.同一考生同一批次只能报考一个职业(工种),不可多职业(工种)申报。已获取某职业(工种)职业资格/技能等级证书的,不可申报该职业(工种)更低等级的认定。
4.考生须参照《“江苏智慧人社”下载及实名注册步骤》(附件10)提前确认是否已在江苏人社线上平台完成实名注册认证,如未完成认证将无法通过报名审核。
(六)资格审核:
1.资格审核材料包括:个人身份证件、学历证明(学历证书或学信网学历证书、学籍电子注册备案表等)、工作年限承诺书(附件9)、职业资格或技能等级证书、职称证书等。工作年限承诺是报名考试的必要条件,须如实填写。
2.考生须确保提供的资格审核材料真实有效,如考生提供虚假材料,一经查实,尚未考试的取消其考试资格,已缴费用及材料概不退还;已考试并获取证书的对其所获证书作无效处理。
3.考生通过资格审核并缴费,即确认报名完成。报名完成后如因考生个人原因不能按时参加考试,已缴费用不予退还。
六、其他事项
(一)考生扫描公告中二维码,获取所有附件材料。
(二)考生须认真阅读《考生须知》(附件11)及《答题卡使用说明》(附件12),知晓相关要求。
(三)咨询电话:0523-86816618、86816609
泰州技师学院
2026年3月4日